產品分類 / Product Categories
聯系我們 / Contact Us
江西丹巴赫機器人股份有限公司服務熱線:400-697-1188
聯系電話:0791-88133135
公司傳真:0791-88221576
手機號碼:18607918385
公司郵箱:sale@danbahe.cn
公司地址:南昌市高新區創新三路811號
無人叉車AGV在合成纖維行業的應用
DANBACH ROBOT
項目背景
該公司目前主要從事于新材料技術研發;合成纖維制造;高性能纖維及復合材料制造;合成纖維銷售;高性能纖維及復合材料銷售,注冊資本為2.2億人民幣

本項目著重闡述AGV智能物流系統(AGVS)的整體設計方案、工作范圍、工程服務、項目實施、驗收及質量保證的技術要求及供貨范圍。
本項目為將原料從原料取料口送至生產線投料口,以及將投料口用完的空托盤送至入庫口(50個/10條線)的物料運輸自動導引運輸車系統(AGVS),包括和叉車式自動導引運輸車(AGV)、AGV調度系統、無線通訊系統等,目的是提高物流輸送作業的智能化、穩定性,同時降低工人的勞動強度,實現真正的智能制造。
江西丹巴赫人股份有限公司

項目難點
室內作業區域;濕度:85%左右,環境溫度:65℃左右,此溫度已經超過電氣元器件正常使用溫度。
解決方案
(1)叉車式AGV;
(2)AGV調度控制系統;
(3)MES通信接口軟件;
(4)AGV呼叫器;
(5)WIFI通信系統;
(6)AGV自動充電樁。
方案規劃

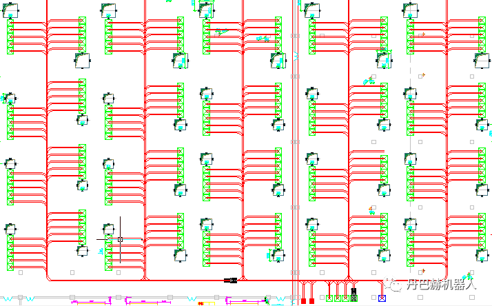
AGV運行系統方案路線線規劃布局圖
一期共10條線,每條線5個投料口,共計50個投料位;供貨方確保AGV系統后續支持擴展能力,可增加站臺,運行區域,小車數量,手持終端等,需要和MES系統對接,獲取任務指令和反饋完成信號以及每天的投料量。AGV叉車從原料取料口取料時,需要掃碼確認物料信息,避免造成誤投料,空托盤需要叉車AGV先在投料口處堆疊再統一送至入庫口。
線規劃布局圖

原料/空托盤運輸路線規劃布局圖
現場操作人員使用電動葫蘆將噸袋投料完成后,使用乙方提供的手持終端掃描投料口地址條碼,并勾選該投料口地面緩存空托盤位置編號,觸發空托盤回收任務,完成空托盤回收后,AGV系統向物流系統發出要料任務。
AGV叉車技術說明

激光導航平衡重式叉車AGV
● 大量采用鋼板沖壓和注塑成型工藝,堅固耐用,符合環保要求。
● 采用交流行走電機,加速性能卓越,爬坡性能好,發熱量低,無碳刷
● 采用進口防水接插件,所有電線電纜均有可靠的保護。
● CANBUS總線結構使得整機通訊更加快捷可靠。
● 液壓泵站、開關、插接件、電量顯示表和計時表等重要部件均采用國外品牌產品。
● 具有釋放制動、反向制動以及駐車制動三種緊急制動功能,確保行車的安全。
AGV車載電池和充電系統

AGV車載電池和充電系統
AGV車體在線自動充電,每完成一次工作任務即進入充電站進行短時間快速充電補給,充電時間不影響生產節拍,實現24小時連續運行。
AGV車載電池采用高性能電池,配套智能型快速自動充電站,具有可靠性高、抗干擾能力強、反應速度快、自動化程度高的優點。

電氣控制系統
● 大量采用鋼板沖壓和注塑成型工藝,堅固耐用,符合環保要求。
● 采用交流行走電機,加速性能卓越,爬坡性能好,發熱量低,無碳刷
● 采用進口防水接插件,所有電線電纜均有可靠的保護。
● CANBUS總線結構使得整機通訊更加快捷可靠。
● 液壓泵站、開關、插接件、電量顯示表和計時表等重要部件均采用國外品牌產品。
● 具有釋放制動、反向制動以及駐車制動三種緊急制動功能,確保行車的安全。
AGV調度控制系統

控制計算機、無線模塊組成的主站與每臺AGV車體通過無線通訊的方式進行實時數據通訊,實現AGV系統環線的監控。
控制計算機根據ERP/MES/WMS請求信號將任務指令下達到AGV車體,實現自動化配送要求。
上一篇:橡膠行業應用無人叉車的解決方案
下一篇:無人叉車AGV應用于食品行業